C7023 A 022X1,2
C7023 A 022X1,3
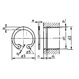
Fiche technique
- d
- 22.00
- d3
- 23.50
- d3 tol
- 0,21
- e
- 1.20
- e tol
- -0,06
- a max
- 4.70
- b-
- 0.00
- d5
- 2.00
- d2
- 23.00
- d2 tol
- 0,13
- mH13
- 1.30
- n min
- 1.50
- Charge de base Fg (KN)
- 5.94
- Charge de base Fa (KN)
- 12.20
- Poids en Kg par 1000
- 1.150
